简体中文
ENGLISH
首页
公司简介
企业文化
公司使命
核心价值和经营理念
核心竞争力
质量方针
可持续发展战略
产品中心
锂离子电池电解液添加剂
阻燃剂
新闻动态
企业新闻
行业动态
通知公告
公司公示
研发中心
资质荣誉
资质
荣誉
联系我们
通知公告
企业新闻
行业动态
通知公告
公司公示
客服热线 : 0631-7691008
联系我们
荣成青木高新材料有限公司
地址:山东荣成市经济技术开发区兴裕路8号
邮箱:info@qm-chem.com
sales@qm-chem.com
联系电话:0631-7691008
网址:http://www.qm-ht.com
您所在的位置:
首页
>
新闻动态
>
通知公告
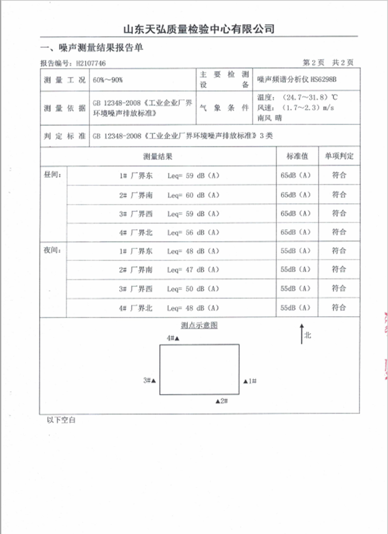
噪声检测报告-2021.第三季度
发布时间:2021/9/22 12:56:37
上一篇:
2021年第二季度环境监测报告
下一篇:
生活污水废气检测报告-2021.第三季度